

產品分類:三次元振動篩
產品優勢:塑料顆粒振動篩用于篩選塑料粒子,保證塑料顆粒大小均勻,一次可以篩出6種不同的粒度規格,整體密封性能好,排除加料、接料帶來的粉塵外,設備本身的產生的粉塵量很小。
目數:2-500目 產量:100-3300公斤/時
層數:1-5層 材質:不銹鋼或塑料
全國統一銷售熱線:0373-268 2333
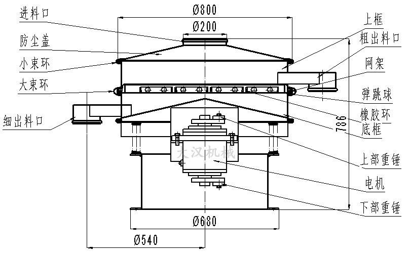
PVC塑料顆粒振動篩為直徑800mm的一層兩出口振動篩,上半部與物料接觸部分為304不銹鋼材質,底座為碳鋼材質。

1、除雜:把塑料顆粒里面的雜質處理出來,雜質指的是大顆粒或者小顆粒等不符合要求的。
2、分級:將塑料顆粒進行分級處理,按照粒度段,把物料分成2-6個規格,進行不同粒度的篩分整理。

PVC塑料顆粒振動篩由直立式振動電機作為激振源,電機上、下兩端安裝有偏心重錘,將電機的旋轉運動轉變為水平、垂直、傾斜的三次元運動,再把這個運動傳遞給篩面進行篩分。調節上、下兩端的相位角,可以改變物料在篩面上的運動軌跡。
塑料顆粒振動篩工作原理視頻
1.篩分細至500目或28微米,篩網不易堵塞;
設備整體密封性能好,排除加料、接料帶來的粉塵外,設備本身的產生的粉塵量很小;
2.設計精巧移動方便,篩分效率高維修點少,操作簡單清洗方便;
3.網架設計獨特,帶有自動清網裝置,換網容易篩網使用壽命長;
4.雜質、粗料自動排出,可以連續作業;
5.篩機一次可以篩出六種品種,適合的層數是1-3層。

| 型 號 | DH-600 | DH-800 | DH-1000 | DH-1200 | DH-1500 | DH-1800 | DH-2000 |
| 直徑mm | Φ600 | Φ800 | Φ1000 | Φ1200 | Φ1500 | Φ1800 | Φ2000 |
| 篩網面積m | 0.24 | 0.45 | 0.67 | 1.0 | 1.6 | 2.43 | 3.01 |
| 篩網規格(目) | 2-500 | 2-500 | 2-500 | 2-500 | 2-500 | 2-500 | 2-500 |
| 進料粒度mm | <Φ10 | <Φ15 | <Φ20 | <Φ30 | <Φ10 | <Φ15 | <Φ20 |
| 振次rpm | 1500 | 1500 | 1500 | 1500 | 1500 | 1500 | 1500 |
| 有效篩面直mm | Φ560 | Φ760 | Φ930 | Φ1130 | Φ1430 | Φ1760 | Φ1960 |
| 層數 | 1-5 | 1-5 | 1-5 | 1-5 | 1-5 | 1-5 | 1-5 |
| 功率Kw | 0.25 | 0.55 | 0.75 | 1.1 | 1.5 | 2.2 | 3 |

⑴設備應有穩定的基礎。當設備安裝于一般地面或水泥基礎上時,可以不設置地腳螺栓。當設備安裝于鋼結構架臺之上時,應用螺栓緊固于結構體上,而且鋼結構架臺應有一定的鋼度。本機只需三相開關一只(備注:好使用電氣控制盤),用蛇皮管穿線,將電機接至電源即可,注意電氣控制盤應懸掛安裝于墻上。
⑵設備出廠前已將篩網裝妥,使用過程中的篩網更換可自己更換。
⑶開機前,應先檢查各壓緊螺栓的緊固程度,及各料口的位置是否與接料器對正,并觀察振動電機是否能正常轉動及彈簧受力有無阻礙,檢查各層篩網是否壓緊。
⑷當旋振篩接入電氣控制盤之前,應首先對電氣控制盤進行檢查。線路接通后觀察振動電機旋轉方向是否是順時針方向,(備注:否則應改變相序)運轉是否正常,有無異噪聲。
⑸調節振動電機上下偏心塊的相位角,以適應各種物料篩分情況。

1.保修期內非因操作不當造成需要更換的零配件及設備由我廠負責包修、包換。
2.質量保證期結束后,我廠將繼續免費提供售后服務,不限年份終身服務,僅收取零部件成本費,免收人工費,免收維修費。
為了向您提供完善的售后服務,請將您的寶貴意見、建議及要求反饋給我廠。我們感謝貴單位使用我廠的產品,我廠建立有完整的營銷網絡及完善的售后服務體系,售后服務部已將您購買的產品建立了信息檔案。如果您購買的產品出現質量問題,我們將及時為您提供全方位的服務。