
產品分類:三次元振動篩
產品優勢: 食品振動篩整機為304不銹鋼材質也叫全不銹鋼振動篩,采用U型槽子母雙層網分離式網架結構設計,里外拋光,干凈衛生,無毛刺,無死角,密封條為硅膠食品,彈簧外圍加304不銹網
全國統一銷售熱線:0373-268 2333
食品振動篩整機為304不銹鋼材質也叫全不銹鋼振動篩,采用U型槽子母雙層網分離式網架結構設計,里外拋光,干凈衛生,無毛刺,無死角,密封條為硅膠食品,彈簧外圍加304不銹網裙邊。

大漢DH系列食品振動篩產品,經客戶多年使用,獲得大量的一線反饋建議,在自有成熟的篩機制造技術基礎上,大漢機械工程師以滿足客戶需求為標準,多次技術改進,篩分效果更加優越,采用"通用"新型動力激振器,三維動力更加突出,適用范圍更加廣泛,大漢振動篩廠家可根據客戶需求設計特殊型號,無論物料是干是濕,是精細是粗糙,是比重大是比重輕,0-400目都可以篩選,不管是液態,還是漿狀的0-600目都可以過濾。

大漢食品全不銹鋼振動篩系列產品同時配備專門的篩網清理裝置,把堵網率降低,過網率和處理精度得以有效提高。大漢具備特殊型號制造的能力讓顧客有更多的選擇。
食品不銹鋼振動篩全不銹鋼制造,換網清洗便捷,粉液皆宜。其高精度篩分可達400目,并配有自動清網功能,可避免堵孔、防止飛粉,實現雜質自動排出與連續生產。
效率高、設計精巧耐用,粉類、粘液均可篩分。
換網容易、操作簡單、清洗方便。
網孔不堵塞、粉末不飛揚、可篩至400目或0.028mm。
雜質、粗料自動排出,可以連續作業。

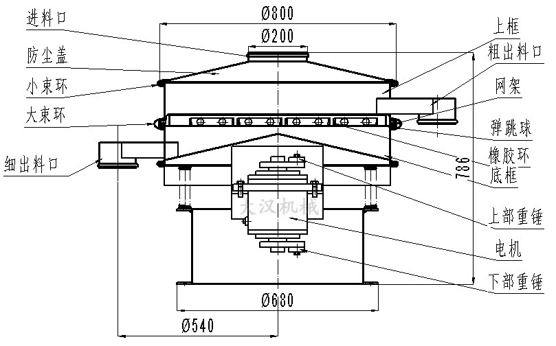
全不銹鋼振動篩由直立式振動電機作為激振源,電機上、下兩端安裝有偏心重錘,將電機的旋轉運動轉變為水平、垂直、傾斜的三次元運動,再把這個運動傳遞給篩面進行篩分。調節上、下兩端的相位角,可以改變物料在篩面上的運動軌跡。


食品不銹鋼振動篩主要適用于多種可接觸的干燥粉體與液態食品原料。包括面粉、淀粉、糖粉、米粉、奶粉、可可粉、調味粉、酵母粉、面包糠等干性粉粒;以及豆漿、果汁、醬油、醋、糖漿、蜂蜜、蛋液、果醬、牛奶等液態漿汁。該設備能對這些物料進行篩分除雜、過濾或固液分離,滿足生產過程中的清潔要求。


⑴設備應有穩定的基礎。當設備安裝于一般地面或水泥基礎上時,可以不設置地腳螺栓。當設備安裝于鋼結構架臺之上時,應用螺栓緊固于結構體上,而且鋼結構架臺應有一定的鋼度。本機只需三相開關一只(備注:使用電氣控制盤),用蛇皮管穿線,將電機接至電源即可,注意電氣控制盤應懸掛安裝于墻上。
⑵設備出廠前已將篩網裝妥,使用過程中的篩網更換可自己更換。
⑶開機前,應先檢查各壓緊螺栓的緊固程度,及各料口的位置是否與接料器對正,并觀察振動電機是否能正常轉動及彈簧受力有無阻礙,檢查各層篩網是否壓緊。
⑷當旋振篩接入電氣控制盤之前,應首先對電氣控制盤進行檢查。線路接通后觀察振動電機旋轉方向是否是順時針方向, (備注:否則應改變相序)運轉是否正常,有無異噪聲。
⑸調節振動電機上下偏心塊的相位角,以適應各種物料篩分情況。